网站首页

产品展示

智慧泵房

一体化泵站

潜水排污泵

潜水轴混流泵

液压闸门节流井

环保设备

闸门设备

应急抢险设备样本

关于中蓝

公司简介

企业文化

荣誉资质

工程案例

新闻动态

企业新闻

行业资讯

联系我们

联系方式

在线留言

Product centre
产品中心
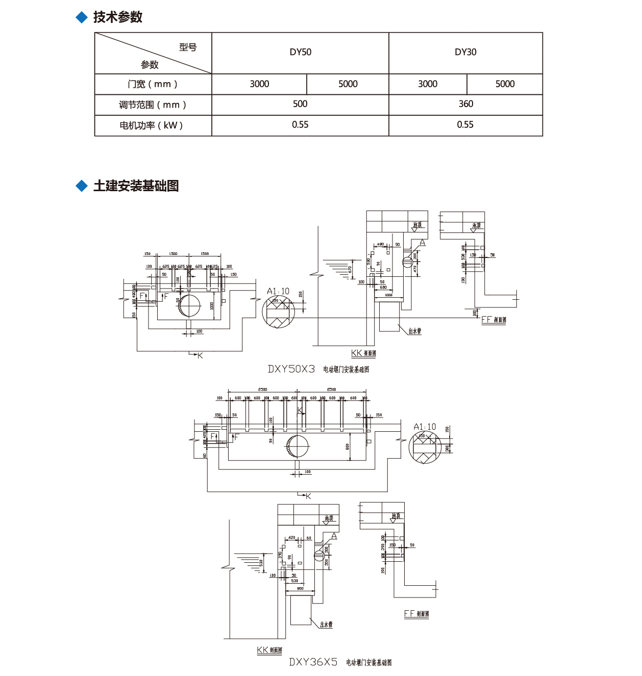
DY型调节堰门
DY型调节堰门
调节堰门主要用于控制和调节水位,也可用于排水、排除上清液等场合。在污水处理厂中,主要用来调节氧化沟、配水井或明渠的上部溢流。
产品详情

泰州市中蓝环保机械有限公司泰州市中蓝环保机械有限公司

服务热线
139-1442-4518
邮箱
13914424996@163.com
地址
江苏省泰兴市河失镇工业集聚区232省道西侧

Copyright © 2025 泰州市中蓝环保机械有限公司

苏ICP备2026002919号 网站建设:木之信息