网站首页

产品展示

智慧泵房

一体化泵站

潜水排污泵

潜水轴混流泵

液压闸门节流井

环保设备

闸门设备

应急抢险设备样本

关于中蓝

公司简介

企业文化

荣誉资质

工程案例

新闻动态

企业新闻

行业资讯

联系我们

联系方式

在线留言

Product centre
产品中心
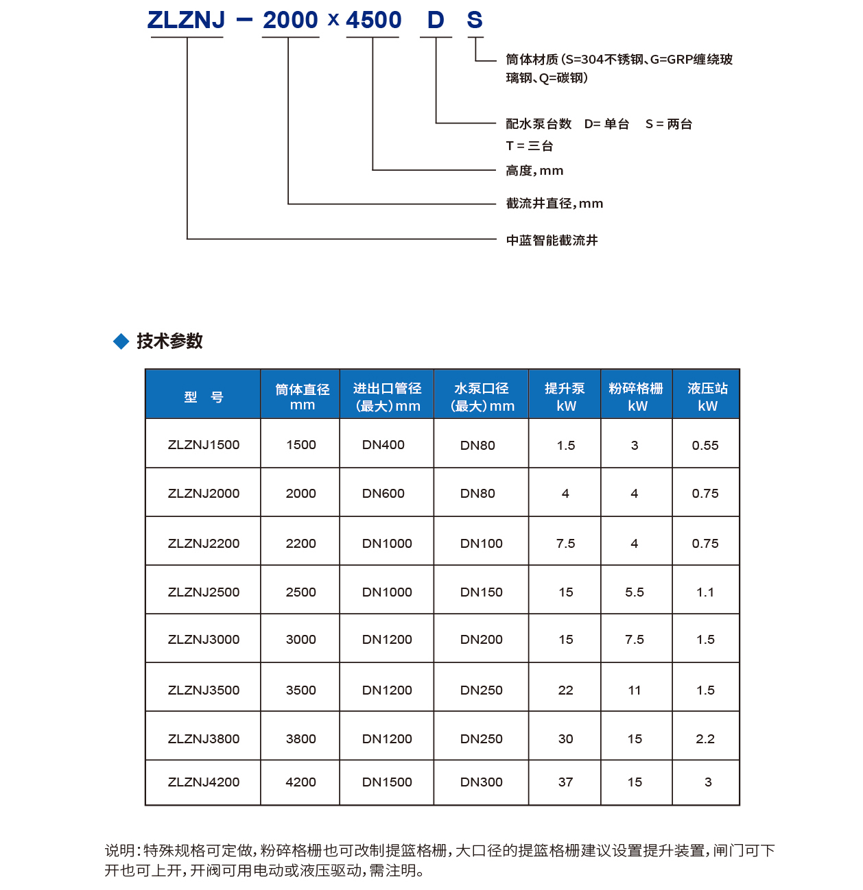
一体化智能截流井
一体化智能截流井
中蓝一体化智能截流井是一种集污水收集、雨污分流排放于一体的新型智能化装置。
作为一种具备雨污分流能力的集成化智能设备,彻底解决城区可利用面积较小,施工环境较为复杂等问题。
产品详情

泰州市中蓝环保机械有限公司泰州市中蓝环保机械有限公司泰州市中蓝环保机械有限公司泰州市中蓝环保机械有限公司泰州市中蓝环保机械有限公司泰州市中蓝环保机械有限公司泰州市中蓝环保机械有限公司泰州市中蓝环保机械有限公司泰州市中蓝环保机械有限公司泰州市中蓝环保机械有限公司

服务热线
139-1442-4518
邮箱
13914424996@163.com
地址
江苏省泰兴市河失镇工业集聚区232省道西侧

Copyright © 2025 泰州市中蓝环保机械有限公司

苏ICP备2026002919号 网站建设:木之信息